以3種Cr?Ni?Mo系齒輪鋼為研究對象,通過端淬試驗和JMatPro軟件計算兩種方式獲得了3種Cr?Ni?Mo系試驗鋼的淬透性。結果表明,SAE8620鋼淬透性最高,3420H鋼次之,20Cr?Ni?Mo鋼最低。
另外,通過模型定量研究了C、Mn、Cr、Ni、Mo等元素含量變化和奧氏體晶粒度級別變化對Cr?Ni?Mo系齒輪鋼距淬火端9mm位置淬透性的影響,結果顯示C、Mn、Cr、Ni、Mo含量每提高0.01% , 距淬火端9mm 位置硬度分別增加約0.52 、0.14 、0.27 、0.12 和0.33HRC, 而隨奧氏體晶粒度級別的增加,Cr-Ni-Mo系齒輪鋼距淬火端9mm位置硬度整體呈現先下降后穩定的趨勢。
Cr?Ni?Mo系齒輪鋼屬于齒輪鋼中的重要鋼種系列,除C元素外,主要通過Cr、Ni、Mo合金元素含量控制實現目標性能。
Cr-Ni-Mo系齒輪鋼應用在汽車領域,具有淬透性好、耐沖擊的特點,如20CrNiMo、SAE8620、17CrNiMo6等都是典型汽車用Cr-Ni-Mo系齒輪鋼;另外,在風電、高鐵等領域應用的18CrNiMo7-6也是典型的Cr-Ni-Mo系齒輪鋼,具有更高的Cr、Ni含量,相應的淬透性也更高。
淬透性在齒輪鋼生產和應用中具有重要作用,合適的淬透性不僅可以保障材料熱處理后的性能,還可以實現變形的有效控制,而Cr-Ni-Mo系齒輪鋼制成的 工件尺寸一般都較大,服役環境比較苛刻,其對淬透性的要求更嚴格。
為有效控制齒輪鋼淬透性,國內外研究人員已開展了許多研究,包括淬透性預測模型、預測方法研究, 良好淬透性材料開發, 窄淬透性帶寬控制等。在淬透性影響因素研究中,已有的報道主要在微合金化元素、殘余元素等對齒輪鋼淬透性的影響方面。
馬莉等研究了鈮硼微合金化對20CrMnH齒輪鋼的影響,發現添加0.0008%的B能夠顯著提高鋼的淬透性,使淬透性不因晶粒細化及Nb(C,N)析出而降低;柳洋波等研究了Nb含量對20CrMnTi鋼淬透性的影響,得出不同Nb含量試樣的端淬硬度分布比較接近;
劉年富等研究了V對高溫滲碳SCM420H齒輪鋼組織和淬透性的影響,得出滿足淬透性要求的V合理控制范圍;殘余元素的影響,目前報道較多的是B元素對20CrMnTi鋼淬透性的影響,為保障20CrMnTi齒輪鋼窄淬透性帶寬的控制,B含量需要控制在一定范圍內 ;
He等對Mn-Cr齒輪鋼的研究得出,B大大提高了淬透性,但其效果并不穩定;而其他元素成分對淬透性的影響研究,主要以對20CrMnTi齒輪鋼淬透性影響研究為主,在針對Cr-Ni-Mo系齒輪鋼淬透性系統研究方面的報道還相對較少。
Cr-Ni-Mo系齒輪鋼涉及可提高淬透性的合金元素較多,包括C、Mn、Cr、Ni、Mo等,有時可能還伴隨B、V等殘余元素,在針對Cr-Ni-Mo系齒輪鋼淬透性研究時,需要結合各元素在Cr-Ni-Mo成分體系下對淬透性的影響程度分析。本文基于Cr-Ni-Mo系成分體系,定量化研究齒輪鋼淬透性,獲得主要合金元素對淬透性的影響程度,以及奧氏體晶粒度在淬透性控制中的作用,可為齒輪鋼窄淬透性控制和主要合金成分調整提供借鑒。
試驗材料:
試驗材料為Cr-Ni-Mo系齒輪鋼棒材,涉及3種試驗鋼,其主要化學成分如表1所示。
為研究Cr-Ni-Mo系齒輪鋼淬透性及其影響因素,利用末端淬火試驗分析3種試驗鋼的淬透性。
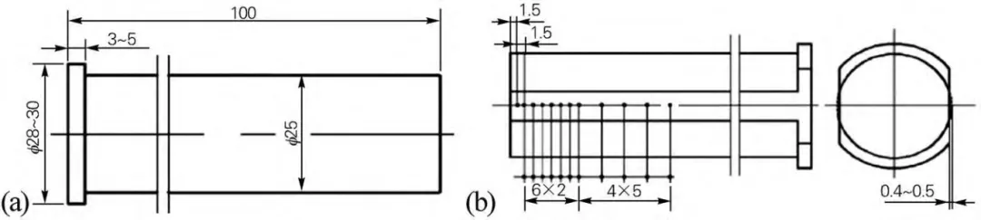
分別在3種試驗鋼棒材R/2位置切取末端淬火試驗毛坯試樣,經 910~930℃正火處理后加工成末端淬火試樣,如圖1(a)所示。
隨后對各試樣進行末端淬火試驗,淬火結束后,在平行于試樣軸線方向磨出兩個平行的長條形平面,磨削深度為0.4~0.5mm, 最后分別在兩個平面上測量距離淬火端1.5 、3 、5 、7 、9 、11 、13 、15 、20 、25 、30 、35mm處的洛氏硬度,如圖1(b)所示
采用的硬度檢測設備為HP-250型洛氏硬度計,試驗依據GB/T230.1—2018《金屬材料洛氏硬度試驗第1部分:試驗方法》執行,載荷砝碼10kg,保荷時間5~10s , 根據硬度結果分析各試驗鋼的淬透性。

圖1 末端淬火試樣示意圖(a)及硬度檢測方案(b)
Cr-Ni-Mo系齒輪鋼淬透性:
Cr-Ni-Mo系齒輪鋼淬透性試驗結果
根據3種Cr-Ni-Mo系齒輪鋼末端淬火試樣各位置的硬度結果,得到3種試驗鋼的淬透性曲線,如圖2所示。從淬透性曲線可以看出,3種試驗鋼在距淬火端3mm以內,硬度最高,基本在44~48HRC,之后隨著距淬火端距離的增加,硬度快速降低,在距淬火端15mm后,硬度隨距淬火端距離的增加緩慢降低,在距淬火端35mm時,硬度值降至17~25HRC。

圖2 3種試驗鋼的淬透性曲線
從圖2還可以看出,3種Cr-Ni-Mo系齒輪鋼的淬透性曲線分布不同。末端淬火試樣最高硬度與試樣碳含量有關,而淬透性曲線中硬度變化斜率代表了試驗鋼淬透性的高低,試驗鋼淬透性越高,則硬度快速降低的位置距淬火端越遠,淬透性曲線斜率變化更小。
3種試驗鋼中,3號鋼的淬火端硬度最高,2號鋼的淬透性曲線斜率變化最小,而1號鋼的淬透性最低,其距淬火端3mm以上位置的硬度均明顯低于其他2種試驗鋼。
Cr-Ni-Mo系齒輪鋼淬透性計算結果
淬透性預測模型是研究齒輪鋼淬透性的重要方法,學者們建立了多種淬透性計算模型及修正模型用于計算和分析齒輪鋼的淬透性,如臨界直徑法、非線性方程法、硬度分布函數法等。另外,還有專業的熱力學軟件可用于計算鋼的淬透性,并表現出較好的計算精度。
根據3種Cr-Ni-Mo系試驗鋼成分,利用JMatPro計算各試驗鋼的淬透性曲線,結果如圖3所示。
從圖3可以看到,3號鋼的淬火端硬度最高,達到48HRC,2號鋼淬火端硬度次之,1號鋼的淬火端硬度最低。從整體淬透性曲線來看,1號鋼的硬度相對較低,而2號鋼、3號鋼的硬度相對較高,并且2號鋼和3號鋼的淬透性曲線比較接近。

圖3 3種試驗鋼的淬透性曲線計算結果
將3種試驗鋼淬透性計算結果與圖2的實測結果對比,可以看出淬透性計算結果與實測結果規律基本一致,2號鋼、3號鋼的淬透性相對較高,且曲線接近,而1號鋼的淬透性相對較低。
因此,對于Cr-Ni-Mo系齒輪鋼,在一定條件下可以通過計算的方法表征鋼的淬透性,以節約試驗成本,并可用于分析某參數變化對淬透性的影響。
淬透性計算結果偏差及改進
1)淬透性計算結果偏差
將計算得到的3種試驗鋼距淬火端5、9、15、25mm位置淬透性結果與實測值進行對比,各位置偏差結果如表2所示。從圖2、圖3和表2可以看出,雖然計算獲得的3種試驗鋼的淬透性曲線變化規律與實測結果規律基本一致,但各典型位置的硬度計算值與實測值存在一定偏差。
2)淬透性計算結果改進
計算齒輪鋼淬透性有多種方法和模型,不同方法或模型的計算精度和適應對象有所不同,合適的淬透性計算模型可以實現對淬透性的有效準確預測。
曹燕光等利用理想臨界直徑法、非線性方程法和硬度分布函數等方法對SAE8620H齒輪鋼的淬透性進行了計算,并與實測結果進行了對比分析,發現各預測模型均存在計算某些位置硬度時精度較高,但計算另外一些位置硬度時偏差較大的情況,各模型不能準確計算全淬透性曲線,而硬度分布函數模型經修正后,其距淬火端5、9、15mm等位置硬度計算誤差均小于2HRC,整體預測精度高,可適用于SAE8620H齒輪鋼淬透性計算。
考慮到試驗鋼主要合金元素與SAE8620H鋼成分近似或一致,因此,可利用該修正模型計算試驗鋼淬透性,并研究淬透性影響因素。
Cr-Ni-Mo系齒輪鋼淬透性影響因素分析:
化學成分對淬透性的影響
利用修正的硬度分布函數模型對Cr-Ni-Mo系齒輪鋼淬透性進行研究,定量分析鋼中主要合金元素(C、Mn、Cr、Ni、Mo)對齒輪鋼淬透性的影響程度,并進一步說明3種Cr-Ni-Mo系試驗鋼的淬透性。
結合20Cr-Ni-Mo鋼成分,通過調整C、Mn、Cr、Ni、Mo含量,利用模型計算各成分條件下距淬火端9mm位置的硬度,結果如圖4所示。
可以看出,距淬火端9mm位置硬度隨著C含量的增加明顯增大,在0.17%~0. 23%范圍內,C含量每提高0.01% ,硬度值平均提高約0.52HRC,同時,隨著Mn、Cr、Ni和Mo含量的單獨增加,距淬火端9mm位置硬度值也相應增加,Mn、Cr、Ni、Mo含量每提高0.01%,距淬火端9mm位置硬度分別增加約0.14、0.27、0.12、0.33HRC。
結合各元素含量對距淬火端9mm位置硬度的影響,在Cr-Ni-Mo齒輪鋼體系中,提高淬透性能力較強的是C、Mo、Cr元素。

圖4 成分變化對20CrNiMo鋼距淬火端9mm位置硬度的影響
結合表1中3種試驗鋼的成分,與1號鋼相比,2號鋼、3號鋼的C、Mn、Cr、Ni、Mo含量都相對更高,根據2號鋼、3號鋼各主要合金元素含量的增量,可以計算得到與1號鋼相比,2號鋼、3號鋼距淬火端9mm位置硬度增加值分別達到4.95HRC和3.56HRC,實測結果顯示2號鋼、3號鋼淬透性硬度值分別增加7.6HRC和4.4HRC,較計算結果偏高,但計算結果與實測結果的淬透性變化規律一致,2號鋼、3號鋼距淬火端9mm位置硬度更高。
奧氏體晶粒度對淬透性的影響
奧氏體晶粒度對鋼的淬透性有影響,晶粒尺寸越大,單位體積內晶界面積減小,使得擴散型相變的形核位置減少,推遲過冷奧氏體相變發生,從而可提高鋼的淬透性。 目前已有許多關于晶粒尺寸對淬透性影響的研究,對于CrNiMo系齒輪鋼也有針對性研究,并獲得了晶粒度(G)與端淬硬度(H)之間的定量關系:

根據式(1)~式(3),齒輪鋼晶粒度每提高1級,距淬火端5、9和15mm位置端淬硬度分別下降約1.9、4.0和1.3HRC,距淬火端9mm處硬度受晶粒度的影響更為顯著。
利用JMatPro軟件計算3種CrNiMo試驗鋼在不同晶粒度下距淬火端9mm位置的硬度,結果如圖5所示。
從圖5可以看出,隨著3種齒輪鋼晶粒度級別的增加,距淬火端9mm位置硬度整體呈現下降的趨勢,晶粒度8~9級以下時,距淬火端9mm 位置硬度隨晶粒度等級的增加快速下降,而晶粒度級別較高時,硬度變化變緩,趨于穩定。
并且,晶粒度等級較小時,晶粒度每增加1級,1~3號鋼距淬火端9mm位置的硬度分別下降約4.1、3.8、3.9HRC,這與公式(2)給出的晶粒度影響程度基本一致。

圖5 晶粒度變化對3種試驗鋼距淬火端9mm位置硬度影響的計算結果
1)3種Cr-Ni-Mo試驗鋼中,3420H鋼末端淬火試驗的淬火端硬度最高,SAE8620鋼的整體淬透性最好,其淬透性曲線斜率變化最小,而20CrNiMo鋼的淬透性最低,除淬火端附近硬度外,該鋼其他位置硬度均明顯低于另兩組試驗鋼。
2)在Cr-Ni-Mo系齒輪鋼中,提高淬透性能力較強的合金元素為C、Mo、Cr。根據計算,C 、Mn、Cr、Ni、Mo含量每提高0.01%,距離淬火端9mm位置的硬度分別增加約0.52、0.14、0.27、0.12、0.33HRC。
3)隨著Cr-Ni-Mo系齒輪鋼晶粒度級別的增加,距淬火端9mm位置硬度整體呈現下降的趨勢,晶粒度在8~9級以下時,試驗鋼距淬火端9mm位置硬度隨晶粒度等級的增加快速下降,當超過該晶粒度級別時,距淬火端9mm位置硬度變化變緩,趨于穩定。
參考文獻:略
作者簡介:何肖飛(1986—),男,高級工程師,博士,主要研究方向為材料研發及冶金質量控制
另外,通過模型定量研究了C、Mn、Cr、Ni、Mo等元素含量變化和奧氏體晶粒度級別變化對Cr?Ni?Mo系齒輪鋼距淬火端9mm位置淬透性的影響,結果顯示C、Mn、Cr、Ni、Mo含量每提高0.01% , 距淬火端9mm 位置硬度分別增加約0.52 、0.14 、0.27 、0.12 和0.33HRC, 而隨奧氏體晶粒度級別的增加,Cr-Ni-Mo系齒輪鋼距淬火端9mm位置硬度整體呈現先下降后穩定的趨勢。
Cr?Ni?Mo系齒輪鋼屬于齒輪鋼中的重要鋼種系列,除C元素外,主要通過Cr、Ni、Mo合金元素含量控制實現目標性能。
Cr-Ni-Mo系齒輪鋼應用在汽車領域,具有淬透性好、耐沖擊的特點,如20CrNiMo、SAE8620、17CrNiMo6等都是典型汽車用Cr-Ni-Mo系齒輪鋼;另外,在風電、高鐵等領域應用的18CrNiMo7-6也是典型的Cr-Ni-Mo系齒輪鋼,具有更高的Cr、Ni含量,相應的淬透性也更高。
淬透性在齒輪鋼生產和應用中具有重要作用,合適的淬透性不僅可以保障材料熱處理后的性能,還可以實現變形的有效控制,而Cr-Ni-Mo系齒輪鋼制成的 工件尺寸一般都較大,服役環境比較苛刻,其對淬透性的要求更嚴格。
為有效控制齒輪鋼淬透性,國內外研究人員已開展了許多研究,包括淬透性預測模型、預測方法研究, 良好淬透性材料開發, 窄淬透性帶寬控制等。在淬透性影響因素研究中,已有的報道主要在微合金化元素、殘余元素等對齒輪鋼淬透性的影響方面。
馬莉等研究了鈮硼微合金化對20CrMnH齒輪鋼的影響,發現添加0.0008%的B能夠顯著提高鋼的淬透性,使淬透性不因晶粒細化及Nb(C,N)析出而降低;柳洋波等研究了Nb含量對20CrMnTi鋼淬透性的影響,得出不同Nb含量試樣的端淬硬度分布比較接近;
劉年富等研究了V對高溫滲碳SCM420H齒輪鋼組織和淬透性的影響,得出滿足淬透性要求的V合理控制范圍;殘余元素的影響,目前報道較多的是B元素對20CrMnTi鋼淬透性的影響,為保障20CrMnTi齒輪鋼窄淬透性帶寬的控制,B含量需要控制在一定范圍內 ;
He等對Mn-Cr齒輪鋼的研究得出,B大大提高了淬透性,但其效果并不穩定;而其他元素成分對淬透性的影響研究,主要以對20CrMnTi齒輪鋼淬透性影響研究為主,在針對Cr-Ni-Mo系齒輪鋼淬透性系統研究方面的報道還相對較少。
Cr-Ni-Mo系齒輪鋼涉及可提高淬透性的合金元素較多,包括C、Mn、Cr、Ni、Mo等,有時可能還伴隨B、V等殘余元素,在針對Cr-Ni-Mo系齒輪鋼淬透性研究時,需要結合各元素在Cr-Ni-Mo成分體系下對淬透性的影響程度分析。本文基于Cr-Ni-Mo系成分體系,定量化研究齒輪鋼淬透性,獲得主要合金元素對淬透性的影響程度,以及奧氏體晶粒度在淬透性控制中的作用,可為齒輪鋼窄淬透性控制和主要合金成分調整提供借鑒。
試驗材料與方法
試驗材料:
試驗材料為Cr-Ni-Mo系齒輪鋼棒材,涉及3種試驗鋼,其主要化學成分如表1所示。
表1 3種Cr-Ni-Mo系試驗鋼的主要化學成分(質量分數,%)

淬火試驗方案:
為研究Cr-Ni-Mo系齒輪鋼淬透性及其影響因素,利用末端淬火試驗分析3種試驗鋼的淬透性。
分別在3種試驗鋼棒材R/2位置切取末端淬火試驗毛坯試樣,經 910~930℃正火處理后加工成末端淬火試樣,如圖1(a)所示。
隨后對各試樣進行末端淬火試驗,淬火結束后,在平行于試樣軸線方向磨出兩個平行的長條形平面,磨削深度為0.4~0.5mm, 最后分別在兩個平面上測量距離淬火端1.5 、3 、5 、7 、9 、11 、13 、15 、20 、25 、30 、35mm處的洛氏硬度,如圖1(b)所示
采用的硬度檢測設備為HP-250型洛氏硬度計,試驗依據GB/T230.1—2018《金屬材料洛氏硬度試驗第1部分:試驗方法》執行,載荷砝碼10kg,保荷時間5~10s , 根據硬度結果分析各試驗鋼的淬透性。

圖1 末端淬火試樣示意圖(a)及硬度檢測方案(b)
試驗結果與分析
Cr-Ni-Mo系齒輪鋼淬透性:
Cr-Ni-Mo系齒輪鋼淬透性試驗結果
根據3種Cr-Ni-Mo系齒輪鋼末端淬火試樣各位置的硬度結果,得到3種試驗鋼的淬透性曲線,如圖2所示。從淬透性曲線可以看出,3種試驗鋼在距淬火端3mm以內,硬度最高,基本在44~48HRC,之后隨著距淬火端距離的增加,硬度快速降低,在距淬火端15mm后,硬度隨距淬火端距離的增加緩慢降低,在距淬火端35mm時,硬度值降至17~25HRC。

圖2 3種試驗鋼的淬透性曲線
從圖2還可以看出,3種Cr-Ni-Mo系齒輪鋼的淬透性曲線分布不同。末端淬火試樣最高硬度與試樣碳含量有關,而淬透性曲線中硬度變化斜率代表了試驗鋼淬透性的高低,試驗鋼淬透性越高,則硬度快速降低的位置距淬火端越遠,淬透性曲線斜率變化更小。
3種試驗鋼中,3號鋼的淬火端硬度最高,2號鋼的淬透性曲線斜率變化最小,而1號鋼的淬透性最低,其距淬火端3mm以上位置的硬度均明顯低于其他2種試驗鋼。
Cr-Ni-Mo系齒輪鋼淬透性計算結果
淬透性預測模型是研究齒輪鋼淬透性的重要方法,學者們建立了多種淬透性計算模型及修正模型用于計算和分析齒輪鋼的淬透性,如臨界直徑法、非線性方程法、硬度分布函數法等。另外,還有專業的熱力學軟件可用于計算鋼的淬透性,并表現出較好的計算精度。
根據3種Cr-Ni-Mo系試驗鋼成分,利用JMatPro計算各試驗鋼的淬透性曲線,結果如圖3所示。
從圖3可以看到,3號鋼的淬火端硬度最高,達到48HRC,2號鋼淬火端硬度次之,1號鋼的淬火端硬度最低。從整體淬透性曲線來看,1號鋼的硬度相對較低,而2號鋼、3號鋼的硬度相對較高,并且2號鋼和3號鋼的淬透性曲線比較接近。

圖3 3種試驗鋼的淬透性曲線計算結果
將3種試驗鋼淬透性計算結果與圖2的實測結果對比,可以看出淬透性計算結果與實測結果規律基本一致,2號鋼、3號鋼的淬透性相對較高,且曲線接近,而1號鋼的淬透性相對較低。
因此,對于Cr-Ni-Mo系齒輪鋼,在一定條件下可以通過計算的方法表征鋼的淬透性,以節約試驗成本,并可用于分析某參數變化對淬透性的影響。
淬透性計算結果偏差及改進
1)淬透性計算結果偏差
將計算得到的3種試驗鋼距淬火端5、9、15、25mm位置淬透性結果與實測值進行對比,各位置偏差結果如表2所示。從圖2、圖3和表2可以看出,雖然計算獲得的3種試驗鋼的淬透性曲線變化規律與實測結果規律基本一致,但各典型位置的硬度計算值與實測值存在一定偏差。
表2 3種試驗鋼淬透性計算結果偏差(HRC)

1號鋼距淬火端5、9mm位置的淬透性計算結果與實測結果偏差較大,分別為3.3HRC和3.6HRC,而15、25mm位置的計算結果偏差相對較小,均在1HRC以內;2號鋼典型位置淬透性的計算值與實測值偏差均較大,都超過了2HRC,且距淬火端9、15mm位置的偏差都達到了4.4HRC;3號鋼典型位置淬透性偏差在1.8~3.0HRC之間,最大淬透性偏差在距淬火端15mm處。
2)淬透性計算結果改進
計算齒輪鋼淬透性有多種方法和模型,不同方法或模型的計算精度和適應對象有所不同,合適的淬透性計算模型可以實現對淬透性的有效準確預測。
曹燕光等利用理想臨界直徑法、非線性方程法和硬度分布函數等方法對SAE8620H齒輪鋼的淬透性進行了計算,并與實測結果進行了對比分析,發現各預測模型均存在計算某些位置硬度時精度較高,但計算另外一些位置硬度時偏差較大的情況,各模型不能準確計算全淬透性曲線,而硬度分布函數模型經修正后,其距淬火端5、9、15mm等位置硬度計算誤差均小于2HRC,整體預測精度高,可適用于SAE8620H齒輪鋼淬透性計算。
考慮到試驗鋼主要合金元素與SAE8620H鋼成分近似或一致,因此,可利用該修正模型計算試驗鋼淬透性,并研究淬透性影響因素。
Cr-Ni-Mo系齒輪鋼淬透性影響因素分析:
化學成分對淬透性的影響
利用修正的硬度分布函數模型對Cr-Ni-Mo系齒輪鋼淬透性進行研究,定量分析鋼中主要合金元素(C、Mn、Cr、Ni、Mo)對齒輪鋼淬透性的影響程度,并進一步說明3種Cr-Ni-Mo系試驗鋼的淬透性。
結合20Cr-Ni-Mo鋼成分,通過調整C、Mn、Cr、Ni、Mo含量,利用模型計算各成分條件下距淬火端9mm位置的硬度,結果如圖4所示。
可以看出,距淬火端9mm位置硬度隨著C含量的增加明顯增大,在0.17%~0. 23%范圍內,C含量每提高0.01% ,硬度值平均提高約0.52HRC,同時,隨著Mn、Cr、Ni和Mo含量的單獨增加,距淬火端9mm位置硬度值也相應增加,Mn、Cr、Ni、Mo含量每提高0.01%,距淬火端9mm位置硬度分別增加約0.14、0.27、0.12、0.33HRC。
結合各元素含量對距淬火端9mm位置硬度的影響,在Cr-Ni-Mo齒輪鋼體系中,提高淬透性能力較強的是C、Mo、Cr元素。

圖4 成分變化對20CrNiMo鋼距淬火端9mm位置硬度的影響
結合表1中3種試驗鋼的成分,與1號鋼相比,2號鋼、3號鋼的C、Mn、Cr、Ni、Mo含量都相對更高,根據2號鋼、3號鋼各主要合金元素含量的增量,可以計算得到與1號鋼相比,2號鋼、3號鋼距淬火端9mm位置硬度增加值分別達到4.95HRC和3.56HRC,實測結果顯示2號鋼、3號鋼淬透性硬度值分別增加7.6HRC和4.4HRC,較計算結果偏高,但計算結果與實測結果的淬透性變化規律一致,2號鋼、3號鋼距淬火端9mm位置硬度更高。
奧氏體晶粒度對淬透性的影響
奧氏體晶粒度對鋼的淬透性有影響,晶粒尺寸越大,單位體積內晶界面積減小,使得擴散型相變的形核位置減少,推遲過冷奧氏體相變發生,從而可提高鋼的淬透性。 目前已有許多關于晶粒尺寸對淬透性影響的研究,對于CrNiMo系齒輪鋼也有針對性研究,并獲得了晶粒度(G)與端淬硬度(H)之間的定量關系:

利用JMatPro軟件計算3種CrNiMo試驗鋼在不同晶粒度下距淬火端9mm位置的硬度,結果如圖5所示。
從圖5可以看出,隨著3種齒輪鋼晶粒度級別的增加,距淬火端9mm位置硬度整體呈現下降的趨勢,晶粒度8~9級以下時,距淬火端9mm 位置硬度隨晶粒度等級的增加快速下降,而晶粒度級別較高時,硬度變化變緩,趨于穩定。
并且,晶粒度等級較小時,晶粒度每增加1級,1~3號鋼距淬火端9mm位置的硬度分別下降約4.1、3.8、3.9HRC,這與公式(2)給出的晶粒度影響程度基本一致。

圖5 晶粒度變化對3種試驗鋼距淬火端9mm位置硬度影響的計算結果
結 論
1)3種Cr-Ni-Mo試驗鋼中,3420H鋼末端淬火試驗的淬火端硬度最高,SAE8620鋼的整體淬透性最好,其淬透性曲線斜率變化最小,而20CrNiMo鋼的淬透性最低,除淬火端附近硬度外,該鋼其他位置硬度均明顯低于另兩組試驗鋼。
2)在Cr-Ni-Mo系齒輪鋼中,提高淬透性能力較強的合金元素為C、Mo、Cr。根據計算,C 、Mn、Cr、Ni、Mo含量每提高0.01%,距離淬火端9mm位置的硬度分別增加約0.52、0.14、0.27、0.12、0.33HRC。
3)隨著Cr-Ni-Mo系齒輪鋼晶粒度級別的增加,距淬火端9mm位置硬度整體呈現下降的趨勢,晶粒度在8~9級以下時,試驗鋼距淬火端9mm位置硬度隨晶粒度等級的增加快速下降,當超過該晶粒度級別時,距淬火端9mm位置硬度變化變緩,趨于穩定。
參考文獻:略
作者簡介:何肖飛(1986—),男,高級工程師,博士,主要研究方向為材料研發及冶金質量控制
