
12mm外徑行星齒輪箱參數介紹

▲ 材質與結構
外殼材料:金屬 steel
齒輪材料:金屬 steel
輸出軸承型式:滾珠軸承
▲ 負載能力
徑向負載:≤0.8Kgf
軸向負載:≤0.25 Kgf
▲ 間隙控制負
徑向間隙:≤0.04mm。
軸向間隙:≤0.2mm。
背隙(空載時):≤1.5°。
▲ 精度與性能
連續運行時最高允許輸入轉速:≤8000rpm。
工作溫度范圍:-40~120°C。
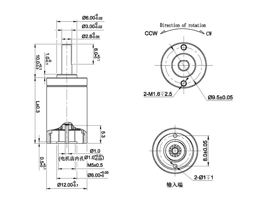
▲ 技術插圖

▲ 齒輪箱規格
一級減速,長度L:11.35mm,速比:3.5/4/4.75,額定允許負載:2Kgf - cm,瞬間允許負載:4Kgf - cm,效率:90%;
二級減速,長度L:14.10mm,速比:12.25/14/16/16.6/19/22.6,額定允許負載:3Kgf - cm,瞬間允許負載:6Kgf - cm,效率:80%;
三級減速,長度L:16.85mm,速比:42.9/49/56/58.2/64/66.5/76/79/90.25/107.2,額定允許負載:3.6Kgf - cm,瞬間允許負載:7.2Kgf - cm,效率:73%;
四級減速,長度L:19.6mm,速比:150.1/171.5/196/203.7/224/232.7/256/266/276.4/304/315.9/361/375.1/428.7/509.1,額定允許負載:4.2Kgf - cm,瞬間允許負載:8.4Kgf - cm,效率:66%;
▲ 適配電機
額定電壓(VDC):3 - 36VDC。
直流電機:適配功率小于 4W 的直流電機,當電機不能滿足減速器安裝要求時,需另行商定
